MWA WB701 称重模块 10kg ~ 500kg
WEBOWT
WB701
产品特点
![]()
● 不锈钢,安装高度低
● 焊接密封,IP68
● 防爆分类:
● Ex ia IIC T4 Ga;Ex iaD 20 T135
● 适用于化工、制药、食品等行业的装袋秤、皮带秤、料斗秤及配料称重控制
命名规则:称重传感器MWA(a)-b-c-d-e-f-g-h-i/j
![]()

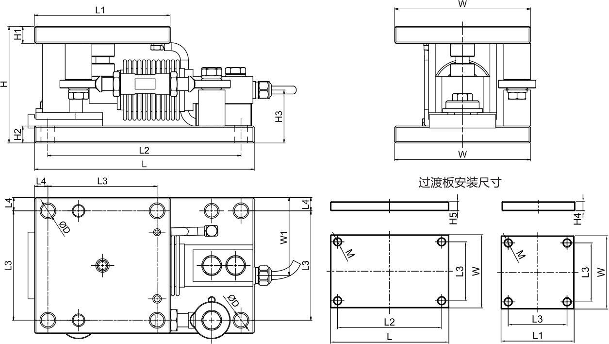
外形尺寸 (mm)
![]()
WB701称重模块 10,20,30,50,75,100,200,300,500kg

| Cap (kg) | L | L1 | L2 | L3 | L4 | H | H1 | H2 | H3 | H4 | H5 | W | W1 | D | M |
| 10-500 | 165 | 102 | 145 | 82 | 10 | 87.4 | 12.7 | 12.7 | 42 | 10 | 10 | 102 | 61 | 10 | 8 |
可选配:不锈钢A304模块结构件、合金钢模块结构件,有关传感器的详细数据,请参见WB701波纹管传感器
产品特点
![]()
● 不锈钢,安装高度低
● 焊接密封,IP68
● 防爆分类:
● Ex ia IIC T4 Ga;Ex iaD 20 T135
● 适用于化工、制药、食品等行业的装袋秤、皮带秤、料斗秤及配料称重控制
命名规则:称重传感器MWA(a)-b-c-d-e-f-g-h-i/j
![]()

外形尺寸 (mm)
![]()
WB701称重模块 10,20,30,50,75,100,200,300,500kg

| Cap (kg) | L | L1 | L2 | L3 | L4 | H | H1 | H2 | H3 | H4 | H5 | W | W1 | D | M |
| 10-500 | 165 | 102 | 145 | 82 | 10 | 87.4 | 12.7 | 12.7 | 42 | 10 | 10 | 102 | 61 | 10 | 8 |
可选配:不锈钢A304模块结构件、合金钢模块结构件,有关传感器的详细数据,请参见WB701波纹管传感器