WB110C
WEBOWT
WB110C
产品特点
● 高度低、变形小、外形尺寸小
● 不锈钢材质,耐高温可定制
● 防护等级 IP67
● 防爆等级:Ex ia MC T4 Ga;防爆 iaD 20 T135
● 适用于罐体称重、自动化装配、新能源产品装配、医疗检测、机器人、模具装配等工业测试、测量和控制系统。
命名规则:称重传感器LWA(a)-b-c-d-e-f-g-h-i
| 技术指标 | |||||||
| 型号 | WB110C | ||||||
| 额定容量 | 3 | 5 | 7.5 | 10 | 15 | ||
| 灵敏度 | mV/V | 2±0.002 | |||||
| 精度等级 | C3 | ||||||
| 重复性误差 | %R.C. | ≤0.01 | |||||
| 滞后 | %R.C. | ≤0.03 | |||||
| 非线性 | %R.C. | ≤0.03 | |||||
| 蠕变 (30分钟) | %R.C. | ≤0.02 | |||||
| 零点输出 | %R.C. | ≤1 | |||||
| 温度补偿范围 | ℃ | -10~+40 | |||||
| 使用温度范围 | ℃ | -40~+65 | |||||
| 灵敏度温度系数 | %R.C./℃ | ≤0.003 | |||||
| 零点温度系数 | %R.C/℃ | ≤0.003 | |||||
| 输入阻抗 | Ω | 780±10 | |||||
| 输出阻抗 | Ω | 700±1 | |||||
| 绝缘电阻 | MΩ | ≥5000 (100V DC) | |||||
| 建议激励电压 | V (DC/AC) | 5~15 | |||||
| 激励电压上限 | V (DC/AC) | 20 | |||||
| 安全过载 | %R.C. | 150 | |||||
| 极限过载 | %R.C. | 300 | |||||
| 防护等级 | IP68 | ||||||
| 电缆长度 | m | 6 | |||||
| 推荐螺栓 | 螺栓尺寸 | M8 | M10 | ||||
| 强度等级 | 8.8级或以上 | ||||||
| 拧紧力矩 | Nm | 25 | 50 | ||||
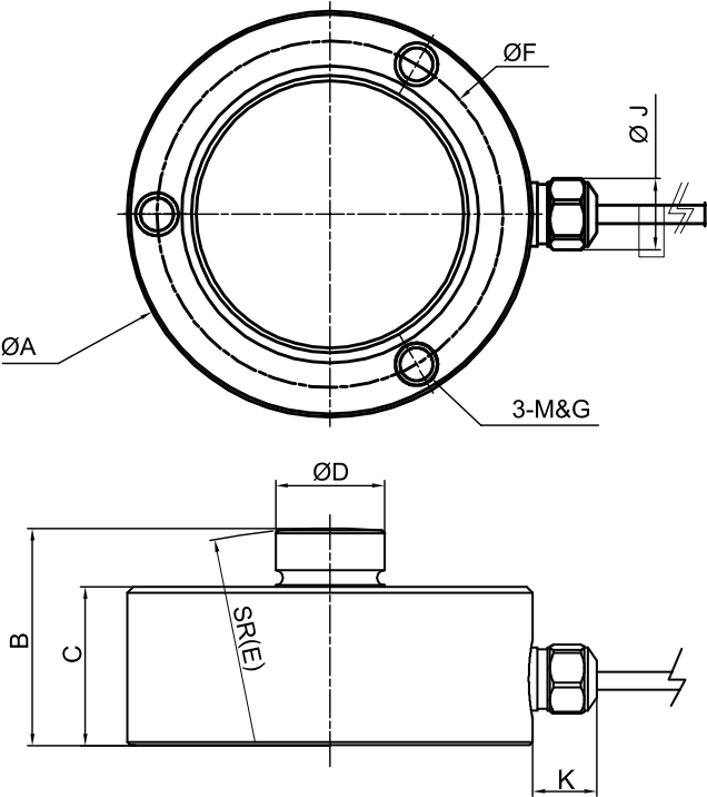
外形尺寸(mm)
WB110C 3,5,7.5,10,15t
| Cap (t) | A | B | C | D | E | F | M&G | J | K |
| 3,5,7.5,10 | 82 | 44 | 32 | 22 | 120 | 70 | M8深15 | 16 | 18 |
| 15 | 100 | 48 | 35 | 28 | 120 | 80 | M10深15 | 16 | 18 |
| 电缆颜色 | 色标 (四芯线) |
| 绿色 | +激励 (+EXC) |
| 黑色 | -激励 (-EXC) |
| 白色 | +信号 (+SIG) |
| 红色 | -信号 (-SIG) |
| 黄色 (长) | 屏蔽线 (SHLD) |
产品特点
● 高度低、变形小、外形尺寸小
● 不锈钢材质,耐高温可定制
● 防护等级 IP67
● 防爆等级:Ex ia MC T4 Ga;防爆 iaD 20 T135
● 适用于罐体称重、自动化装配、新能源产品装配、医疗检测、机器人、模具装配等工业测试、测量和控制系统。
命名规则:称重传感器LWA(a)-b-c-d-e-f-g-h-i
| 技术指标 | |||||||
| 型号 | WB110C | ||||||
| 额定容量 | 3 | 5 | 7.5 | 10 | 15 | ||
| 灵敏度 | mV/V | 2±0.002 | |||||
| 精度等级 | C3 | ||||||
| 重复性误差 | %R.C. | ≤0.01 | |||||
| 滞后 | %R.C. | ≤0.03 | |||||
| 非线性 | %R.C. | ≤0.03 | |||||
| 蠕变 (30分钟) | %R.C. | ≤0.02 | |||||
| 零点输出 | %R.C. | ≤1 | |||||
| 温度补偿范围 | ℃ | -10~+40 | |||||
| 使用温度范围 | ℃ | -40~+65 | |||||
| 灵敏度温度系数 | %R.C./℃ | ≤0.003 | |||||
| 零点温度系数 | %R.C/℃ | ≤0.003 | |||||
| 输入阻抗 | Ω | 780±10 | |||||
| 输出阻抗 | Ω | 700±1 | |||||
| 绝缘电阻 | MΩ | ≥5000 (100V DC) | |||||
| 建议激励电压 | V (DC/AC) | 5~15 | |||||
| 激励电压上限 | V (DC/AC) | 20 | |||||
| 安全过载 | %R.C. | 150 | |||||
| 极限过载 | %R.C. | 300 | |||||
| 防护等级 | IP68 | ||||||
| 电缆长度 | m | 6 | |||||
| 推荐螺栓 | 螺栓尺寸 | M8 | M10 | ||||
| 强度等级 | 8.8级或以上 | ||||||
| 拧紧力矩 | Nm | 25 | 50 | ||||
外形尺寸(mm)
WB110C 3,5,7.5,10,15t
| Cap (t) | A | B | C | D | E | F | M&G | J | K |
| 3,5,7.5,10 | 82 | 44 | 32 | 22 | 120 | 70 | M8深15 | 16 | 18 |
| 15 | 100 | 48 | 35 | 28 | 120 | 80 | M10深15 | 16 | 18 |
| 电缆颜色 | 色标 (四芯线) |
| 绿色 | +激励 (+EXC) |
| 黑色 | -激励 (-EXC) |
| 白色 | +信号 (+SIG) |
| 红色 | -信号 (-SIG) |
| 黄色 (长) | 屏蔽线 (SHLD) |