WBTSC/TSB , 称重传感器 3t ~ 15t
WEBOWT
WBTSC/TSB
产品特点
● 结构紧凑、综合精度高
● 不锈钢、激光焊接密封
● 防护等级IP67
● 适用于吊钩秤、料斗秤、配料秤的称重控制
命名规则:称重传感器LWA(a)-b-c-d-e-f-g-h-i
| 技术指标 | ||||
| 型号 | WBTSC | WBTSB | WBTSH | |
| 额定容量 | 501,002,003,005,001,000 | 200,030,005,000 | 0.2,0.3,0.5,1,2,3,5t | |
| 灵敏度 | mV/V | 2±0.002 | ||
| 精度等级 | C3 | |||
| 重复性误差 | %R.C. | ≤0.01 | ||
| 滞后 | %R.C. | ≤0.02 | ||
| 非线性 | %R.C. | ≤0.018 | ||
| 蠕变 (30分钟) | %R.C. | ≤0.0167 | ||
| 零点输出 | %R.C. | ≤1 | ||
| 温度补偿范围 | ℃ | -10~+40 | ||
| 使用温度范围 | ℃ | -40~+65 | ||
| 灵敏度温度系数 | %R.C./℃ | ≤0.0009 | ||
| 零点温度系数 | %R.C/℃ | ≤0.002 | ||
| 输入阻抗 | Ω | 385±10 | ||
| 输出阻抗 | Ω | 350±1 | ||
| 绝缘电阻 | MΩ | ≥5000 (100V DC) | ||
| 建议激励电压 | V (DC/AC) | 5~15 | ||
| 激励电压上限 | V (DC/AC) | 20 | ||
| 安全过载 | %R.C. | 150 | ||
| 极限过载 | %R.C. | 300 | ||
| 防护等级 | IP65 | IP67 | ||
| 电缆长度 | m | 5 | ||
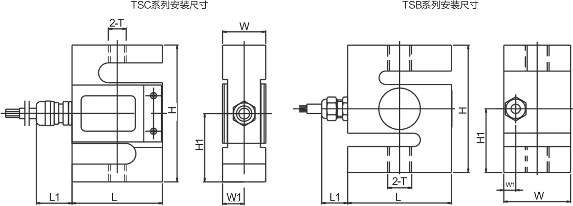
外形尺寸(mm)
| 型号 | 额定容量 (kg) | 尺寸 (mm) | ||||||
| L | H | W | T | W1 | H1 | L1 | ||
| TSC | 50,100,200 | 50.8 | 77 | 18.5 | M10x1 | 9.3 | 38.5 | 17 |
| 300 | 50.8 | 77 | 24.4 | M10x1 | 12.2 | 38.5 | 17 | |
| 500 | 50.8 | 77 | 24.4 | M12x1 | 12.2 | 38.5 | 17 | |
| 1000 | 50.8 | 77 | 36 | M12x1 | 18 | 38.5 | 17 | |
| TSB | 2000 | 70 | 86 | 45 | M16x1.5 | 8 | 43 | 17 |
| 3000 | 80 | 100 | 50 | M18x1.5 | 8 | 50 | 17 | |
| 5000 | 92 | 130 | 58 | M20×2 | 8 | 65 | 17 | |
| 电缆颜色 | 色标 (六芯线) |
| 绿色 | +激励 (+EXC) |
| 黑色 | -激励 (-EXC) |
| 黄色 | +反馈 (+SEN) |
| 蓝色 | -反馈 (-SEN) |
| 白色 | +信号 (+SIG) |
| 红色 | -信号 (-SIG) |
| 黄色 (长) | 屏蔽线 (SHLD) |
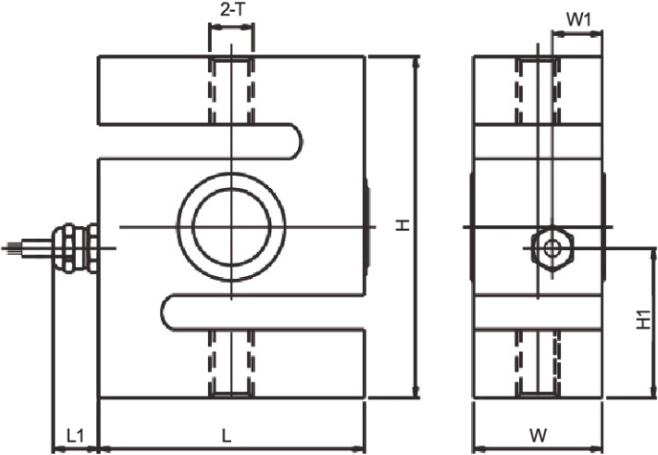
外形尺寸(mm)
| 额定容量 (kg) | 尺寸 (mm) | ||||||
| L | H | W | T | W1 | H1 | LI | |
| 200-300 | 62 | 80 | 30 | M10x1 | 10 | 47.5 | 17 |
| 500 | 62 | 80 | 30 | M12x1 | 10 | 47.5 | 17 |
| 1000 | 70 | 90 | 30 | M12x1 | 10 | 52.5 | 17 |
| 2000 | 71 | 90 | 45 | M16x1.5 | 17.5 | 50 | 17 |
| 3000 | 80 | 100 | 50 | M16x1.5 | 19.5 | 58.5 | 17 |
| 5000 | 92 | 100 | 58 | M20x2 | 23.5 | 72.5 | 17 |
| 电缆颜色 | 色标 (六芯线) |
| 绿色 | +激励 (+EXC) |
| 黑色 | -激励 (-EXC) |
| 黄色 | +反馈 (+SEN) |
| 蓝色 | -反馈 (-SEN) |
| 白色 | +信号 (+SIG) |
| 红色 | -信号 (-SIG) |
| 黄色 (长) | 屏蔽线 (SHLD) |
产品特点
● 结构紧凑、综合精度高
● 不锈钢、激光焊接密封
● 防护等级IP67
● 适用于吊钩秤、料斗秤、配料秤的称重控制
命名规则:称重传感器LWA(a)-b-c-d-e-f-g-h-i
| 技术指标 | ||||
| 型号 | WBTSC | WBTSB | WBTSH | |
| 额定容量 | 501,002,003,005,001,000 | 200,030,005,000 | 0.2,0.3,0.5,1,2,3,5t | |
| 灵敏度 | mV/V | 2±0.002 | ||
| 精度等级 | C3 | |||
| 重复性误差 | %R.C. | ≤0.01 | ||
| 滞后 | %R.C. | ≤0.02 | ||
| 非线性 | %R.C. | ≤0.018 | ||
| 蠕变 (30分钟) | %R.C. | ≤0.0167 | ||
| 零点输出 | %R.C. | ≤1 | ||
| 温度补偿范围 | ℃ | -10~+40 | ||
| 使用温度范围 | ℃ | -40~+65 | ||
| 灵敏度温度系数 | %R.C./℃ | ≤0.0009 | ||
| 零点温度系数 | %R.C/℃ | ≤0.002 | ||
| 输入阻抗 | Ω | 385±10 | ||
| 输出阻抗 | Ω | 350±1 | ||
| 绝缘电阻 | MΩ | ≥5000 (100V DC) | ||
| 建议激励电压 | V (DC/AC) | 5~15 | ||
| 激励电压上限 | V (DC/AC) | 20 | ||
| 安全过载 | %R.C. | 150 | ||
| 极限过载 | %R.C. | 300 | ||
| 防护等级 | IP65 | IP67 | ||
| 电缆长度 | m | 5 | ||
外形尺寸(mm)
| 型号 | 额定容量 (kg) | 尺寸 (mm) | ||||||
| L | H | W | T | W1 | H1 | L1 | ||
| TSC | 50,100,200 | 50.8 | 77 | 18.5 | M10x1 | 9.3 | 38.5 | 17 |
| 300 | 50.8 | 77 | 24.4 | M10x1 | 12.2 | 38.5 | 17 | |
| 500 | 50.8 | 77 | 24.4 | M12x1 | 12.2 | 38.5 | 17 | |
| 1000 | 50.8 | 77 | 36 | M12x1 | 18 | 38.5 | 17 | |
| TSB | 2000 | 70 | 86 | 45 | M16x1.5 | 8 | 43 | 17 |
| 3000 | 80 | 100 | 50 | M18x1.5 | 8 | 50 | 17 | |
| 5000 | 92 | 130 | 58 | M20×2 | 8 | 65 | 17 | |
| 电缆颜色 | 色标 (六芯线) |
| 绿色 | +激励 (+EXC) |
| 黑色 | -激励 (-EXC) |
| 黄色 | +反馈 (+SEN) |
| 蓝色 | -反馈 (-SEN) |
| 白色 | +信号 (+SIG) |
| 红色 | -信号 (-SIG) |
| 黄色 (长) | 屏蔽线 (SHLD) |
外形尺寸(mm)
| 额定容量 (kg) | 尺寸 (mm) | ||||||
| L | H | W | T | W1 | H1 | LI | |
| 200-300 | 62 | 80 | 30 | M10x1 | 10 | 47.5 | 17 |
| 500 | 62 | 80 | 30 | M12x1 | 10 | 47.5 | 17 |
| 1000 | 70 | 90 | 30 | M12x1 | 10 | 52.5 | 17 |
| 2000 | 71 | 90 | 45 | M16x1.5 | 17.5 | 50 | 17 |
| 3000 | 80 | 100 | 50 | M16x1.5 | 19.5 | 58.5 | 17 |
| 5000 | 92 | 100 | 58 | M20x2 | 23.5 | 72.5 | 17 |
| 电缆颜色 | 色标 (六芯线) |
| 绿色 | +激励 (+EXC) |
| 黑色 | -激励 (-EXC) |
| 黄色 | +反馈 (+SEN) |
| 蓝色 | -反馈 (-SEN) |
| 白色 | +信号 (+SIG) |
| 红色 | -信号 (-SIG) |
| 黄色 (长) | 屏蔽线 (SHLD) |