首页
产品服务
过程控制仪表
ID260
ID511
ID511Pro
ID510
ID551PN 1路
ID551PN 4通道
FW650
ID551
ID550
ID226
ID550WL
ID510 失重
数字称重仪表
防爆称重仪表
ID226X
ID511XX
ID511 防爆
ID550 防爆
FW650 防爆
模拟传感器
WB1020
WB1260A
WB1260B
WB1260
WB1260BS
WB701
WB702
WB702CR
WB702C
WB702SBS
WB702SH
WB702IL
WBTSC/TSB
WBTSH
WB110C-300
WB101
WB110C
WBBPGD
WBGD
数字传感器
称重模块
WB701模块
WB702模块
WB702C模块
WB702CR模块
WB110C模块
WBPGD/WBGD 模块
WBGW/GWA 模块
数字模块
台秤
RNC/RNS
RLC/RLS
RKS
RGS
ACS
ID226W 便携式蓝牙秤
移动手推车
数字台秤
平台秤
PHC 和 PHS 双层秤
PFC 和 PFS 单层规模
PCC 和 PCS 超低规模
PUC/PUS
PGC 气瓶秤
PDC 动物秤
PTA叉车秤
数字平台秤
智能称重系统
智能货架称重
牲畜动态称重
手动配料系统
轮胎重量测试秤
定制称重方案
油漆和调色配料系统
AGV托盘升降系统
备品备件
ID100大屏远程显示
接线盒
行业应用
制药
锂电/新材料
食品
精细化工
机械自动化
畜牧业
新闻资讯
关于我们
关于我们
证书
联系我们
下载文件
欢迎垂询
在线咨询
English
|
简体中文
致电我们:
13775637333(微信)
sales@webowt.com
:
全部
产品名称
关键词
产品型号
产品摘要
产品描述
全文搜索
:
全部
产品名称
关键词
产品型号
产品摘要
产品描述
全文搜索
首页
产品服务
过程控制仪表
ID260
ID511
ID511Pro
ID510
ID551PN 1路
ID551PN 4通道
FW650
ID551
ID550
ID226
ID550WL
ID510 失重
数字称重仪表
防爆称重仪表
ID226X
ID511XX
ID511 防爆
ID550 防爆
FW650 防爆
模拟传感器
WB1020
WB1260A
WB1260B
WB1260
WB1260BS
WB701
WB702
WB702CR
WB702C
WB702SBS
WB702SH
WB702IL
WBTSC/TSB
WBTSH
WB110C-300
WB101
WB110C
WBBPGD
WBGD
数字传感器
称重模块
WB701模块
WB702模块
WB702C模块
WB702CR模块
WB110C模块
WBPGD/WBGD 模块
WBGW/GWA 模块
数字模块
台秤
RNC/RNS
RLC/RLS
RKS
RGS
ACS
ID226W 便携式蓝牙秤
移动手推车
数字台秤
平台秤
PHC 和 PHS 双层秤
PFC 和 PFS 单层规模
PCC 和 PCS 超低规模
PUC/PUS
PGC 气瓶秤
PDC 动物秤
PTA叉车秤
数字平台秤
智能称重系统
智能货架称重
牲畜动态称重
手动配料系统
轮胎重量测试秤
定制称重方案
油漆和调色配料系统
AGV托盘升降系统
备品备件
ID100大屏远程显示
接线盒
行业应用
制药
锂电/新材料
食品
精细化工
机械自动化
畜牧业
新闻资讯
关于我们
关于我们
证书
联系我们
下载文件
欢迎垂询
在线咨询
13775637333(微信)
sales@webowt.com
loading
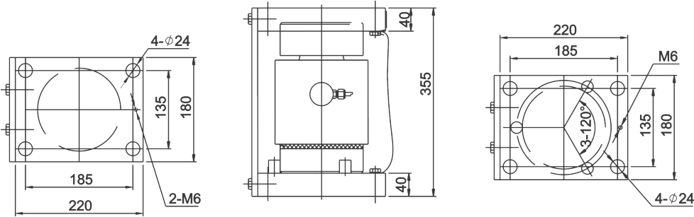
WBGW/GWA 称重模块15t~500t
容量大、自重低
带有安全支撑块标记,用于过载保护
具有4-20mA模拟输出的相应模块可供选择
密封式称重传感器采用不锈钢激光焊接,防护等级IP68,可在各种恶劣环境下使用
安装简单快捷
适用于恶劣环境下大吨位罐体的配料和称重控制。
防爆等级:Ex ia II C T4T6 Ga
Ex ia III C T135℃T85℃ Db
GW安装板为不锈钢,GWA安装板为合金钢镀镍
弹性体类别:
不锈钢17-4PH/
不锈钢2Cr13材质
容量(吨):
15(13m)
20(13m)
25(13m)
30(13m)
40(13m)
50(13m)
100(13m)
200(13m)
250(13m)
300(13m)
400(13m)
500(13m)
称重传感器精度:
C3
C4
备份:
标准,输出灵敏度 2.0 mV/V
定制化
材质:
合金钢材质
不锈钢
状态:
数量:
询价
加入询价篮
型号:
WBGW/GWA 称重模块15t~500t
产品品牌:
WEBOWT
产品编码:
84239000
称重模块:
WBGW
产品描述
上一条:
下一条:
称重传感器
称重模块
称重传感器模块
传感器
联系我们
称重过程控制器、称重传感器、电子秤及定制化解决方案领域的领先制造商和专家……
联系我们
提交
产品服务
产品
过程控制仪表
数字称重仪表
防爆称重仪表
模拟传感器
数字传感器
称重模块
数字模块
台秤
数字台秤
行业应用
行业应用
农业
化工
能源
食品饮品
智能仓储
医药
联系我们
13775637333 (微信)
陈先生: sales@webowt.com
陈小姐:
freya.chen@webowt.com
江苏省常州市天宁区华阳南路26号常州检验检测产业园 3号楼 威博称重
在线留言
先生
女士
提交
版权
2012-2024 常州市威博称重设备系统有限公司版权所有。
苏ICP备2024141126号-1
技术支持:
领动网
搜索引擎优化