DLJB-015LX4 模拟转数字接线盒
WEBOWT
ID260
ID226X
WB1020
WB701
PCC/PCS
智能货架称重
AGV托盘升降系统
大屏幕显示器
DLJB-015LX4 模拟转数字接线盒
![]()

特点:
● 模拟传感器转数字信号接线盒
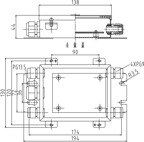
产品外形及安装
![]()

配置选型表
![]()
| 物料号 | 配置型号 | 配置说明 |
| 8000015 | DJB-015LX4 | 模拟传感器转数字接线盒,4路进1路出,小5孔 |
DLJB-015LX4 模拟转数字接线盒
![]()

特点:
● 模拟传感器转数字信号接线盒
产品外形及安装
![]()

配置选型表
![]()
| 物料号 | 配置型号 | 配置说明 |
| 8000015 | DJB-015LX4 | 模拟传感器转数字接线盒,4路进1路出,小5孔 |