WB702CR称重传感器
WEBOWT
WB702-CR
产品特点
● 安装方便,安装高度低
● 2Cr13不锈钢
● 焊接密封,IP68
● 防爆分类:
● Ex ia IIC T4 Ga;Ex iaD 20 T135
● 适用于化工、制药、食品、锂电等行业的平台秤、装袋秤、皮带秤、料斗秤及过程控制称重应用
命名规则:称重传感器LWA(a)-b-c-d-e-f-g-h-i
| 技术指标 | ||||||||||||||||
| 型号 | WB702CR (以下为WB702CR-A/C/D技术指标) | |||||||||||||||
| 额定容量 | 110 | 220 | 550 | 1100 | 2200 | 3000 | 4400 | 110 | 220 | 550 | 1100 | 2200 | 3000 | 4400 | ||
| 灵敏度 | mV/V | 0.97±0.002 | 1.94±0.002 | 0.97±0.002 | 1.94±0.002 | |||||||||||
| 精度等级 | C3 | C6 | ||||||||||||||
| 重复性误差 | %R.C. | ≤0.01 | ≤0.01 | |||||||||||||
| 滞后 | %R.C. | ≤0.02 | ≤0.01 | |||||||||||||
| 非线性 | %R.C. | ≤0.018 | ≤0.01 | |||||||||||||
| 蠕变 (30分钟) | %R.C. | ≤0.0167 | ≤0.01 | |||||||||||||
| 零点输出 | %R.C. | ≤1.0 | ≤1.0 | |||||||||||||
| 温度补偿范围 | ℃ | -10~+40 | -10~+40 | |||||||||||||
| 使用温度范围 | ℃ | -40~+65 | -40~+65 | |||||||||||||
| 灵敏度温度系数 | %R.C./℃ | ≤0.0009 | ≤0.0005 | |||||||||||||
| 零点温度系数 | %R.C/℃ | ≤0.002 | ≤0.0013 | |||||||||||||
| 输入阻抗 | Ω | 385±10 | 384±10 | |||||||||||||
| 输出阻抗 | Ω | 350±2 | 350±2 | |||||||||||||
| 绝缘电阻 | MΩ | ≥5000 (100V DC) | ≥5000 (100V DC) | |||||||||||||
| 建议激励电压 | V (DC/AC) | 5~15 | 5~15 | |||||||||||||
| 激励电压上限 | V (DC/AC) | 20 | 20 | |||||||||||||
| 安全过载 | %R.C. | 150 | 150 | |||||||||||||
| 极限过载 | %R.C. | 300 | 300 | |||||||||||||
| 防护等级 | IP68/69k | IP68/69k | ||||||||||||||
| 电缆长度 | m | 3.5 | 6 | 3.5 | 6 | |||||||||||
| 推荐螺栓 | 螺栓尺寸 | M12 | M14 | M18 | M12 | M14 | M18 | |||||||||
| 强度等级 | A2-70/8.8级或以上 | A2-70/8.8级或以上 | ||||||||||||||
| 拧紧力矩 | Nm | 120 | 196 | 300 | 120 | 196 | 300 | |||||||||
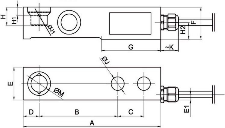
外形尺寸(mm)
WB702CR-A 0.11,0.22,0.55,1.1,2.2,3,4.4t
| Cap(t) | A | B | C | D | E | F | G | H | J | M | H1 | H2 | E1 | J1 | K |
| 0.11-1.1 | 133.4 | 76.2 | 25.4 | 15.4 | 30.7 | 30.2 | 57.7 | 17.3 | 13 | 15.9 | 7.9 | 16 | 8 | 3 | 20 |
| 2.2 | 136.6 | 76.2 | 25.4 | 18.3 | 36.8 | 36.6 | 57.9 | 22.9 | 13 | 15.9 | 12.7 | 19.8 | 8 | 3 | 20 |
| 3 | 139.7 | 79.2 | 25.4 | 18.4 | 39 | 36.6 | 57.9 | 22.9 | 15 | 15.9 | 12.7 | 19.8 | 8 | 3 | 20 |
| 4.4 | 171.5 | 95.2 | 38.1 | 21.5 | 42.9 | 42.9 | 73.8 | 29.3 | 19.3 | 22.2 | 17.4 | 22.7 | 8 | 3 | 20 |
| 电缆颜色 | 色标 (四芯线) |
| 绿色 | +激励 (+EXC) |
| 黑色 | -激励 (-EXC) |
| 白色 | +信号 (+SIG) |
| 红色 | -信号 (-SIG) |
| 黄色 (长) | 屏蔽线 (SHLD) |
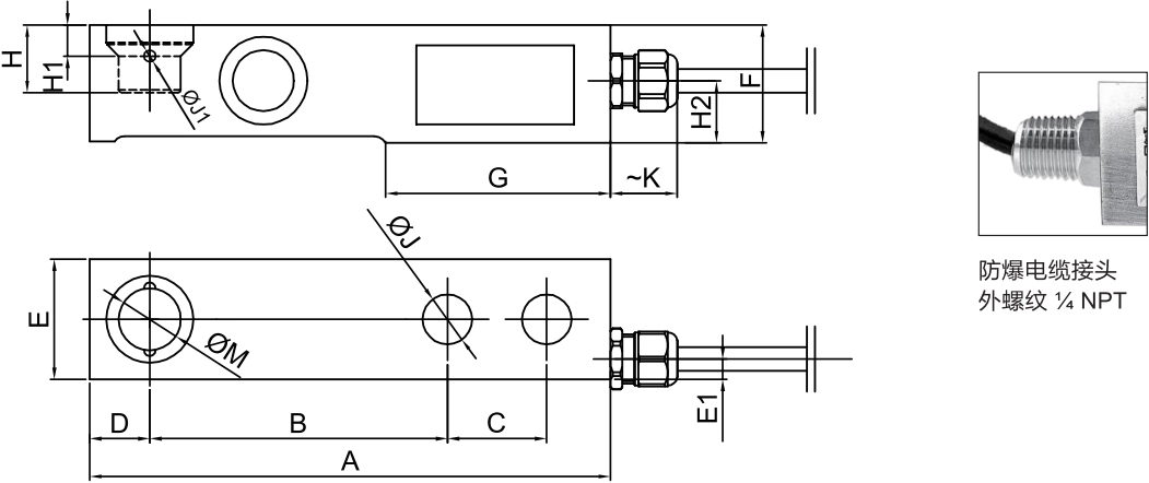
外形尺寸(mm)
WB702CR-B 0.25,0.5,1,2,3,5t
| Cap(t) | A | B | C | D | E | F | G | H | J | M | HI | H2 | E1 | J1 | K |
| 025-1 | 133.4 | 762 | 25.4 | 15.4 | 30.7 | 302 | 57.7 | 17.3 | 13 | 15.9 | 7.9 | 16 | 8 | 3 | 20 |
| 2 | 136.6 | 762 | 25.4 | 18.3 | 36.8 | 36.6 | 57.9 | 22.9 | 13 | 15.9 | 12.7 | 19.8 | 8 | 3 | 20 |
| 3 | 139.7 | 792 | 25.4 | 18.4 | 39 | 36.6 | 57.9 | 22.9 | 15 | 15.9 | 12.7 | 19.8 | 8 | 3 | 20 |
| 5 | 171.5 | 952 | 38.1 | 21.5 | 42.9 | 42.9 | 73.8 | 29.3 | 19.3 | 222 | 17.4 | 22.7 | 8 | 3 | 20 |
| 电缆颜色 | 色标 (四芯线) |
| 绿色 | +激励 (+EXC) |
| 黑色 | -激励 (-EXC) |
| 白色 | +信号 (+SIG) |
| 红色 | -信号 (-SIG) |
| 黄色 (长) | 屏蔽线 (SHLD) |
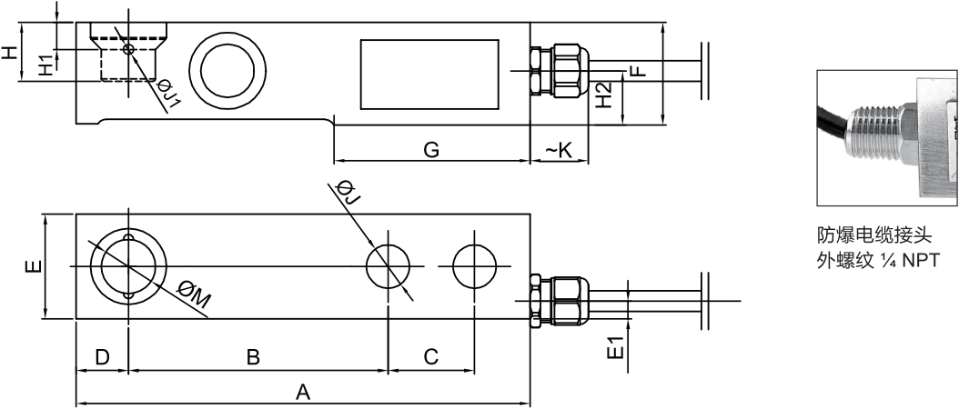
外形尺寸(mm)
WB702CR-B 0.25,0.5,1,2,3,5t
| Cap(t) | A | B | C | D | E | F | G | H | J | M | H1 | H2 | E1 | J1 | K |
| 0.25-1 | 133.4 | 76.2 | 25.4 | 15.4 | 30.7 | 30.2 | 57.7 | 17.3 | 13 | 15.9 | 7.9 | 16 | 8 | 3 | 20 |
| 2 | 136.6 | 76.2 | 25.4 | 18.3 | 36.8 | 36.6 | 57.9 | 22.9 | 13 | 15.9 | 12.7 | 19.8 | 8 | 3 | 20 |
| 3 | 139.7 | 79.2 | 25.4 | 18.4 | 39 | 36.6 | 57.9 | 22.9 | 15 | 15.9 | 12.7 | 19.8 | 8 | 3 | 20 |
| 5 | 171.5 | 95.2 | 38.1 | 21.5 | 42.9 | 42.9 | 73.8 | 29.3 | 19.3 | 22.2 | 17.4 | 22.7 | 8 | 3 | 20 |
| 电缆颜色 | 色标 (四芯线) |
| 绿色 | +激励 (+EXC) |
| 黑色 | -激励 (-EXC) |
| 白色 | +信号 (+SIG) |
| 红色 | -信号 (-SIG) |
| 黄色 (长) | 屏蔽线 (SHLD) |
产品特点
● 安装方便,安装高度低
● 2Cr13不锈钢
● 焊接密封,IP68
● 防爆分类:
● Ex ia IIC T4 Ga;Ex iaD 20 T135
● 适用于化工、制药、食品、锂电等行业的平台秤、装袋秤、皮带秤、料斗秤及过程控制称重应用
命名规则:称重传感器LWA(a)-b-c-d-e-f-g-h-i
| 技术指标 | ||||||||||||||||
| 型号 | WB702CR (以下为WB702CR-A/C/D技术指标) | |||||||||||||||
| 额定容量 | 110 | 220 | 550 | 1100 | 2200 | 3000 | 4400 | 110 | 220 | 550 | 1100 | 2200 | 3000 | 4400 | ||
| 灵敏度 | mV/V | 0.97±0.002 | 1.94±0.002 | 0.97±0.002 | 1.94±0.002 | |||||||||||
| 精度等级 | C3 | C6 | ||||||||||||||
| 重复性误差 | %R.C. | ≤0.01 | ≤0.01 | |||||||||||||
| 滞后 | %R.C. | ≤0.02 | ≤0.01 | |||||||||||||
| 非线性 | %R.C. | ≤0.018 | ≤0.01 | |||||||||||||
| 蠕变 (30分钟) | %R.C. | ≤0.0167 | ≤0.01 | |||||||||||||
| 零点输出 | %R.C. | ≤1.0 | ≤1.0 | |||||||||||||
| 温度补偿范围 | ℃ | -10~+40 | -10~+40 | |||||||||||||
| 使用温度范围 | ℃ | -40~+65 | -40~+65 | |||||||||||||
| 灵敏度温度系数 | %R.C./℃ | ≤0.0009 | ≤0.0005 | |||||||||||||
| 零点温度系数 | %R.C/℃ | ≤0.002 | ≤0.0013 | |||||||||||||
| 输入阻抗 | Ω | 385±10 | 384±10 | |||||||||||||
| 输出阻抗 | Ω | 350±2 | 350±2 | |||||||||||||
| 绝缘电阻 | MΩ | ≥5000 (100V DC) | ≥5000 (100V DC) | |||||||||||||
| 建议激励电压 | V (DC/AC) | 5~15 | 5~15 | |||||||||||||
| 激励电压上限 | V (DC/AC) | 20 | 20 | |||||||||||||
| 安全过载 | %R.C. | 150 | 150 | |||||||||||||
| 极限过载 | %R.C. | 300 | 300 | |||||||||||||
| 防护等级 | IP68/69k | IP68/69k | ||||||||||||||
| 电缆长度 | m | 3.5 | 6 | 3.5 | 6 | |||||||||||
| 推荐螺栓 | 螺栓尺寸 | M12 | M14 | M18 | M12 | M14 | M18 | |||||||||
| 强度等级 | A2-70/8.8级或以上 | A2-70/8.8级或以上 | ||||||||||||||
| 拧紧力矩 | Nm | 120 | 196 | 300 | 120 | 196 | 300 | |||||||||
外形尺寸(mm)
WB702CR-A 0.11,0.22,0.55,1.1,2.2,3,4.4t
| Cap(t) | A | B | C | D | E | F | G | H | J | M | H1 | H2 | E1 | J1 | K |
| 0.11-1.1 | 133.4 | 76.2 | 25.4 | 15.4 | 30.7 | 30.2 | 57.7 | 17.3 | 13 | 15.9 | 7.9 | 16 | 8 | 3 | 20 |
| 2.2 | 136.6 | 76.2 | 25.4 | 18.3 | 36.8 | 36.6 | 57.9 | 22.9 | 13 | 15.9 | 12.7 | 19.8 | 8 | 3 | 20 |
| 3 | 139.7 | 79.2 | 25.4 | 18.4 | 39 | 36.6 | 57.9 | 22.9 | 15 | 15.9 | 12.7 | 19.8 | 8 | 3 | 20 |
| 4.4 | 171.5 | 95.2 | 38.1 | 21.5 | 42.9 | 42.9 | 73.8 | 29.3 | 19.3 | 22.2 | 17.4 | 22.7 | 8 | 3 | 20 |
| 电缆颜色 | 色标 (四芯线) |
| 绿色 | +激励 (+EXC) |
| 黑色 | -激励 (-EXC) |
| 白色 | +信号 (+SIG) |
| 红色 | -信号 (-SIG) |
| 黄色 (长) | 屏蔽线 (SHLD) |
外形尺寸(mm)
WB702CR-B 0.25,0.5,1,2,3,5t
| Cap(t) | A | B | C | D | E | F | G | H | J | M | HI | H2 | E1 | J1 | K |
| 025-1 | 133.4 | 762 | 25.4 | 15.4 | 30.7 | 302 | 57.7 | 17.3 | 13 | 15.9 | 7.9 | 16 | 8 | 3 | 20 |
| 2 | 136.6 | 762 | 25.4 | 18.3 | 36.8 | 36.6 | 57.9 | 22.9 | 13 | 15.9 | 12.7 | 19.8 | 8 | 3 | 20 |
| 3 | 139.7 | 792 | 25.4 | 18.4 | 39 | 36.6 | 57.9 | 22.9 | 15 | 15.9 | 12.7 | 19.8 | 8 | 3 | 20 |
| 5 | 171.5 | 952 | 38.1 | 21.5 | 42.9 | 42.9 | 73.8 | 29.3 | 19.3 | 222 | 17.4 | 22.7 | 8 | 3 | 20 |
| 电缆颜色 | 色标 (四芯线) |
| 绿色 | +激励 (+EXC) |
| 黑色 | -激励 (-EXC) |
| 白色 | +信号 (+SIG) |
| 红色 | -信号 (-SIG) |
| 黄色 (长) | 屏蔽线 (SHLD) |
外形尺寸(mm)
WB702CR-B 0.25,0.5,1,2,3,5t
| Cap(t) | A | B | C | D | E | F | G | H | J | M | H1 | H2 | E1 | J1 | K |
| 0.25-1 | 133.4 | 76.2 | 25.4 | 15.4 | 30.7 | 30.2 | 57.7 | 17.3 | 13 | 15.9 | 7.9 | 16 | 8 | 3 | 20 |
| 2 | 136.6 | 76.2 | 25.4 | 18.3 | 36.8 | 36.6 | 57.9 | 22.9 | 13 | 15.9 | 12.7 | 19.8 | 8 | 3 | 20 |
| 3 | 139.7 | 79.2 | 25.4 | 18.4 | 39 | 36.6 | 57.9 | 22.9 | 15 | 15.9 | 12.7 | 19.8 | 8 | 3 | 20 |
| 5 | 171.5 | 95.2 | 38.1 | 21.5 | 42.9 | 42.9 | 73.8 | 29.3 | 19.3 | 22.2 | 17.4 | 22.7 | 8 | 3 | 20 |
| 电缆颜色 | 色标 (四芯线) |
| 绿色 | +激励 (+EXC) |
| 黑色 | -激励 (-EXC) |
| 白色 | +信号 (+SIG) |
| 红色 | -信号 (-SIG) |
| 黄色 (长) | 屏蔽线 (SHLD) |