LWA WB701-500kg-XS-C6-3m-A
WEBOWT
1003169
WB701
产品特点
![]()
● 采用WB701不锈钢激光焊接密封称重传感器,防护等级IP68,可在各种恶劣环境下使用
● 球形连接器、锥形连接器和摇杆销连接器是可选的。
● 支撑螺栓防止设备翻倒
● 安装简单快捷,维护方便
● 不锈钢及合金钢模块结构件
● 适用于化工、制药、食品等行业中小型反应釜的配料称重。
● 适用于动、静载称重模块,可选配拉杆
● 防爆等级:Ex ia IIC T4 Ga;防爆 iaD 20 T135
命名规则:称重传感器LWA (a) -b-c-d-e-f-g-h-i
![]()

| 技术指标 | |||||
| 型号 | WB701 | ||||
| 额定容量 | 10, 20, 30, 50, 75, 100, 200, 300 | 500 | 10, 20, 30, 50, 75, 100, 200, 300 | 500 | |
| 灵敏度 | mVV | 2±0.002 | 2±0.002 | ||
| 精度等级 | C3 | C6 | |||
| 重复性误差 | %R.C. | ≤0.01 | ≤0.01 | ||
| 滞后 | %R.C. | ≤0.02 | ≤0.01 | ||
| 非线性 | %R.C. | ≤0.018 | ≤0.01 | ||
| 蠕变(30分钟) | %R.C. | ≤0.0167 | ≤0.01 | ||
| 零点输出 | %R.C. | ≤1 | ≤1 | ||
| 温度补偿范围 | ℃ | -10~+40 | -10~+40 | ||
| 使用温度范围 | ℃ | -40~+65 | -40~+65 | ||
| 灵敏度温度系数 | %R.C./℃ | ≤0.0009 | ≤0.0005 | ||
| 零点温度系数 | %R.C/℃ | ≤0.002 | ≤0.0013 | ||
| 输入阻抗 | Ω | 385±10 | 385±10 | ||
| 输出阻抗 | Ω | 350±1 | 350±1 | ||
| 绝缘电阻 | MΩ | ≥5000 (100V DC) | ≥5000 (100V DC) | ||
| 建议激励电压 | V (DCIAC) | 5~15 | 5~15 | ||
| 激励电压上限 | V (DCIAC) | 20 | 20 | ||
| 安全过载 | %R.C. | 150 | 150 | ||
| 极限过载 | %R.C. | 300 | 300 | ||
| 防护等级 | IP68 | IP68IP68 | |||
| 电缆长度 | m | 3 | 3 | ||
| 拧紧力矩 | Nm | 26 | 54 | 26 | 54 |
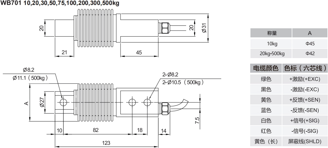
外形尺寸(mm)
![]()

产品特点
![]()
● 采用WB701不锈钢激光焊接密封称重传感器,防护等级IP68,可在各种恶劣环境下使用
● 球形连接器、锥形连接器和摇杆销连接器是可选的。
● 支撑螺栓防止设备翻倒
● 安装简单快捷,维护方便
● 不锈钢及合金钢模块结构件
● 适用于化工、制药、食品等行业中小型反应釜的配料称重。
● 适用于动、静载称重模块,可选配拉杆
● 防爆等级:Ex ia IIC T4 Ga;防爆 iaD 20 T135
命名规则:称重传感器LWA (a) -b-c-d-e-f-g-h-i
![]()

| 技术指标 | |||||
| 型号 | WB701 | ||||
| 额定容量 | 10, 20, 30, 50, 75, 100, 200, 300 | 500 | 10, 20, 30, 50, 75, 100, 200, 300 | 500 | |
| 灵敏度 | mVV | 2±0.002 | 2±0.002 | ||
| 精度等级 | C3 | C6 | |||
| 重复性误差 | %R.C. | ≤0.01 | ≤0.01 | ||
| 滞后 | %R.C. | ≤0.02 | ≤0.01 | ||
| 非线性 | %R.C. | ≤0.018 | ≤0.01 | ||
| 蠕变(30分钟) | %R.C. | ≤0.0167 | ≤0.01 | ||
| 零点输出 | %R.C. | ≤1 | ≤1 | ||
| 温度补偿范围 | ℃ | -10~+40 | -10~+40 | ||
| 使用温度范围 | ℃ | -40~+65 | -40~+65 | ||
| 灵敏度温度系数 | %R.C./℃ | ≤0.0009 | ≤0.0005 | ||
| 零点温度系数 | %R.C/℃ | ≤0.002 | ≤0.0013 | ||
| 输入阻抗 | Ω | 385±10 | 385±10 | ||
| 输出阻抗 | Ω | 350±1 | 350±1 | ||
| 绝缘电阻 | MΩ | ≥5000 (100V DC) | ≥5000 (100V DC) | ||
| 建议激励电压 | V (DCIAC) | 5~15 | 5~15 | ||
| 激励电压上限 | V (DCIAC) | 20 | 20 | ||
| 安全过载 | %R.C. | 150 | 150 | ||
| 极限过载 | %R.C. | 300 | 300 | ||
| 防护等级 | IP68 | IP68IP68 | |||
| 电缆长度 | m | 3 | 3 | ||
| 拧紧力矩 | Nm | 26 | 54 | 26 | 54 |
外形尺寸(mm)
![]()
