LWA WB702C , 称重传感器 0.25t ~ 5t
WEBOWT
WB702C
产品特点
合金钢材质称重传感器
翻转保护、过载保护
360°圆周水平限位保护
配置水平拉杆可稳定设备晃动
适用于动态和静态称重应用
不锈钢及合金钢模块结构件
适用于罐体配料称重及各种过程称重。
防爆等级:Ex ia IIC T4 Ga;防爆 iaD 20 T135
命名规则:称重传感器LWA(a)-b-c-d-e-f-g-h-i
| 技术指标 | ||||||||||||||
| 型号 | WB702C | |||||||||||||
| 额定容量 | 250 | 500 | 1000 | 2000 | 3000 5000 | 250 | 500 | 1000 | 2000 | 3000 | 5000 | |||
| 灵敏度 | mV/V | 2±0.002 | 2±0.002 | |||||||||||
| 精度等级 | C3 | C6 | ||||||||||||
| 重复性误差 | %R.C. | ≤0.01 | ≤0.01 | |||||||||||
| 滞后 | %R.C. | ≤0.02 | ≤0.01 | |||||||||||
| 非线性 | %R.C. | ≤0.018 | ≤0.01 | |||||||||||
| 蠕变(30分钟) | %R.C. | ≤0.0167 | ≤0.01 | |||||||||||
| 零点输出 | %R.C. | ≤1 | ≤1 | |||||||||||
| 温度补偿范围 | ℃ | -10~+40 | -10~+40 | |||||||||||
| 使用温度范围 | ℃ | -40~+65 | -40~+65 | |||||||||||
| 灵敏度温度系数 | %R.C./℃ | ≤0.0009 | ≤0.0005 | |||||||||||
| 零点温度系数 | %R.C/℃ | ≤0.002 | ≤0.0013 | |||||||||||
| 输入阻抗 | Ω | 385±10 | 385±10 | |||||||||||
| 输出阻抗 | Ω | 350±1 | 350±1 | |||||||||||
| 绝缘电阻 | MΩ | ≥5000 (100V DC) | ≥5000 (100V DC) | |||||||||||
| 建议激励电压 | V (DC/AC) | 5~15 | 5~15 | |||||||||||
| 激励电压上限 | V (DC/AC) | 20 | 20 | |||||||||||
| 安全过载 | %R.C. | 150 | 150 | |||||||||||
| 极限过载 | %R.C. | 300 | 300 | |||||||||||
| 防护等级 | IP68 | IP68 | ||||||||||||
| 电缆长度 | m | 3.5 | 6 | 3.5 | 6 | |||||||||
| 推荐螺栓 | 螺栓尺寸 | M12 | M14 | M18 | M12 | M14 | M18 | |||||||
| 强度等级 | A2-70/8.8级或以上 | A2-70/8.8级或以上 | ||||||||||||
| 拧紧力矩 | Nm | 120 | 196 | 300 | 120 | 196 | 300 | |||||||
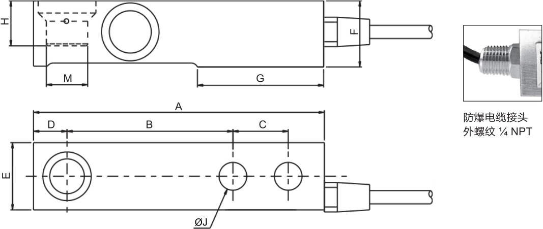
外形尺寸(mm)
WB702C-B 0.25,0.5,1,2,3,5t
| Cap (t) | A | B | C | D | E | F | G | H | J | M |
| 0.25~1 | 133.4 | 76.2 | 25.4 | 15.4 | 30.7 | 30.2 | 57.7 | 17 | 13 | φ15.9 |
| 2 | 136.6 | 76.2 | 25.4 | 18.4 | 36.8 | 36.6 | 57.9 | 23 | 13 | φ15.9 |
| 3 | 139.7 | 79.2 | 25.4 | 18.4 | 39 | 36.6 | 57.9 | 23 | 15 | φ159 |
| 5 | 171.5 | 95.2 | 38.1 | 21.5 | 42.9 | 42.9 | 73.8 | 29.3 | 19 | φ22.2 |
| 电缆颜色 | 色标 (四芯线) |
| 绿色 | +激励 (+EXC) |
| 黑色 | -激励 (-EXC) |
| 白色 | +信号 (+SIG) |
| 红色 | -信号 (-SIG) |
| 黄色 (长) | 屏蔽线 (SHLD) |
产品特点
合金钢材质称重传感器
翻转保护、过载保护
360°圆周水平限位保护
配置水平拉杆可稳定设备晃动
适用于动态和静态称重应用
不锈钢及合金钢模块结构件
适用于罐体配料称重及各种过程称重。
防爆等级:Ex ia IIC T4 Ga;防爆 iaD 20 T135
命名规则:称重传感器LWA(a)-b-c-d-e-f-g-h-i
| 技术指标 | ||||||||||||||
| 型号 | WB702C | |||||||||||||
| 额定容量 | 250 | 500 | 1000 | 2000 | 3000 5000 | 250 | 500 | 1000 | 2000 | 3000 | 5000 | |||
| 灵敏度 | mV/V | 2±0.002 | 2±0.002 | |||||||||||
| 精度等级 | C3 | C6 | ||||||||||||
| 重复性误差 | %R.C. | ≤0.01 | ≤0.01 | |||||||||||
| 滞后 | %R.C. | ≤0.02 | ≤0.01 | |||||||||||
| 非线性 | %R.C. | ≤0.018 | ≤0.01 | |||||||||||
| 蠕变(30分钟) | %R.C. | ≤0.0167 | ≤0.01 | |||||||||||
| 零点输出 | %R.C. | ≤1 | ≤1 | |||||||||||
| 温度补偿范围 | ℃ | -10~+40 | -10~+40 | |||||||||||
| 使用温度范围 | ℃ | -40~+65 | -40~+65 | |||||||||||
| 灵敏度温度系数 | %R.C./℃ | ≤0.0009 | ≤0.0005 | |||||||||||
| 零点温度系数 | %R.C/℃ | ≤0.002 | ≤0.0013 | |||||||||||
| 输入阻抗 | Ω | 385±10 | 385±10 | |||||||||||
| 输出阻抗 | Ω | 350±1 | 350±1 | |||||||||||
| 绝缘电阻 | MΩ | ≥5000 (100V DC) | ≥5000 (100V DC) | |||||||||||
| 建议激励电压 | V (DC/AC) | 5~15 | 5~15 | |||||||||||
| 激励电压上限 | V (DC/AC) | 20 | 20 | |||||||||||
| 安全过载 | %R.C. | 150 | 150 | |||||||||||
| 极限过载 | %R.C. | 300 | 300 | |||||||||||
| 防护等级 | IP68 | IP68 | ||||||||||||
| 电缆长度 | m | 3.5 | 6 | 3.5 | 6 | |||||||||
| 推荐螺栓 | 螺栓尺寸 | M12 | M14 | M18 | M12 | M14 | M18 | |||||||
| 强度等级 | A2-70/8.8级或以上 | A2-70/8.8级或以上 | ||||||||||||
| 拧紧力矩 | Nm | 120 | 196 | 300 | 120 | 196 | 300 | |||||||
外形尺寸(mm)
WB702C-B 0.25,0.5,1,2,3,5t
| Cap (t) | A | B | C | D | E | F | G | H | J | M |
| 0.25~1 | 133.4 | 76.2 | 25.4 | 15.4 | 30.7 | 30.2 | 57.7 | 17 | 13 | φ15.9 |
| 2 | 136.6 | 76.2 | 25.4 | 18.4 | 36.8 | 36.6 | 57.9 | 23 | 13 | φ15.9 |
| 3 | 139.7 | 79.2 | 25.4 | 18.4 | 39 | 36.6 | 57.9 | 23 | 15 | φ159 |
| 5 | 171.5 | 95.2 | 38.1 | 21.5 | 42.9 | 42.9 | 73.8 | 29.3 | 19 | φ22.2 |
| 电缆颜色 | 色标 (四芯线) |
| 绿色 | +激励 (+EXC) |
| 黑色 | -激励 (-EXC) |
| 白色 | +信号 (+SIG) |
| 红色 | -信号 (-SIG) |
| 黄色 (长) | 屏蔽线 (SHLD) |